91免费在线视频污双电源 创造品牌影响力
91免费在线视频污电气致力于优良的电子产品研发、生产与销售

产品详情
产品概述
BYGL系列隔离开关,适用于交流50Hz、交流额定电压690V及以下、直流额定电压440V及以下,额定电流至3150A。
在工业企业配电设备中,可供不频繁手动接通和分断电路及隔离电源用,中125A~630A可作为频繁接通和分断。
符合标准:GB14048.3、IEC60947-3。
产品型号及其含义

正常工作条件及安装条件
周围空气温度不高于+40℃,不低于-5℃。
安装地点的海拔不超过2000m。
湿度:
当温度为+40℃时,空气的相对湿度不超过50?在较低的温度下可以允许有较高的相对湿度,例如20℃时达90?对由于温度变化偶尔产生的凝露应采取特殊的措施。
周围环境的污染等级为3级。
开关应安装在无显著握动、冲击振动和没有雨雪侵袭的地方,同时安装地点应无爆炸危险介质,且介质中无足以腐蚀金属和破坏绝缘的气体和尘埃。
主要参数及技术性能
BYGL-315-3150A电器性能与机械性能

安装方式
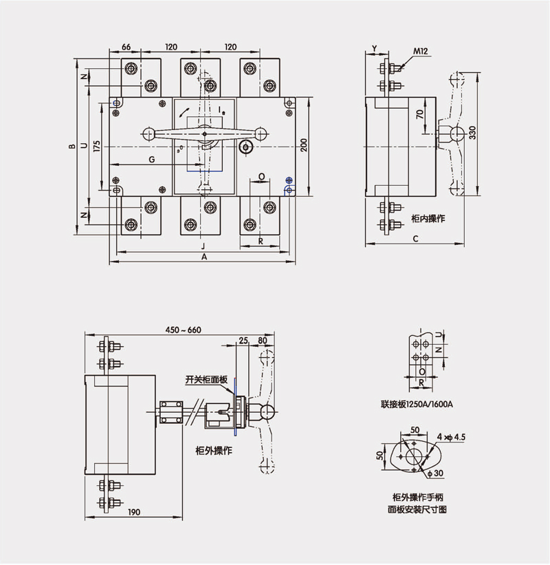
安装方式如圈示,柜外操作需加装长轴,要求装在面(门)板上的手柄(轴)和长轴同轴(对准)。否则,柜门不易开闭及操作费力,并导致操作机构损坏。按照产品至门板的安装距离、并加上轴伸入手柄的长(约30毫米)确定轴的长度。

BYGL-1000A~1600A隔离开关外形与安装尺寸


©2019 上海91免费在线视频污电气有限公司 版权所有 沪ICP备83111016号-1